Gitter-Magnet im Gehäuse MSS-MC
Artikelnummer: MSSMC150/5N-141106 MSSMC200/5N-141124 Variante wählenDetaillierte Produktbeschreibung
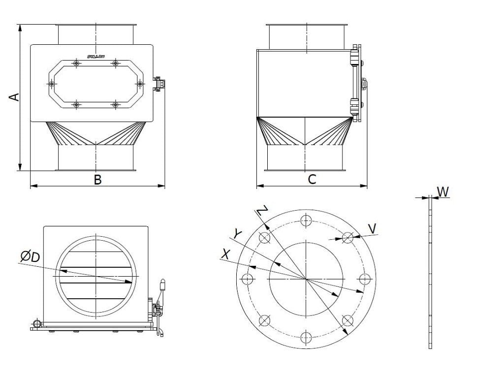
Der magnetische Kastenabscheider ermöglicht eine einfache und schnelle Abscheidung der magnetischen Metallverunreinigungen von dem gereinigten Produkt und schützt Maschinen und Anlagen vor Beschädigung, die nachfolgend das gereinigte Material verarbeiten. Das Fundament des magnetischen Kastenabscheiders ist durch einen oder zwei ausfahrbare Magnetroste aus Edelstahl gebildet, durch die das gereinigte Pulvermaterial durchfällt. Das sehr starke durch die Neodymmagneten im Inneren der Röhrenroste generierte Magnetfeld fängt die ferromagnetische Partikeln auf den Rostoberflächen auf. Im Falle des MSS-MCs geht es um eine klassische Konstruktion, wann die Magnetroste gegen das Eingangstürchen querüber eingebettet sind. Dank dem Durchsicht-Kontrollfenster kann der Materialfluss und Verschmutzungsgrad der Röhren durchlaufend kontrolliert werden. Bei der Reinigung werden die Roste aus dem Abscheider herausgezogen und man kann diese leicht und schnell reinigen, denn nach manuellem Herausschieben von den Magnetkernen aus den Rostfreiröhren die ferromagnetische Verunreinigungen von der Oberfläche des Röhrenrosts fallen spontan ab.
| Model | Max . Kapazität** | Gewicht (kg) |
A (mm) |
B (mm) |
C (mm) |
D (mm) |
Rohrdurchmesser (mm) | Entfernungen zwischen unteren Röhren (mm) | Entfernungen zwischen oberen Röhren (mm) | Entfernungen zwischen unteren und oberen Röhren (mm) |
| MSS-MC 150/5 N | 7 m3/h | 20 | 300 | 275 | 225 | 149 | 32 | 32 | 32 | 23 |
| MSS-MC 200/5 N | 8 m3/h | 23 | 300 | 320 | 285 | 199 | 32 | 32 | 32 | 23 |
Bemerkungen:
** Maximale Kapazität hängt von dem Typ und den Eigenschaften des gereinigten Materials ab
Allgemeine Spezifikation
Magnetische Parameter:
- Magnetische Oberflächenflussdichte (bei Neodymerzeugnissen, N35-Magneten = Standardvariante): um 10700 G (1,07 T)
- Magnetische Flussdichte auf dem Magnetkern (bei Neodymerzeugnissen, N35-Magneten = Standardvariante): um 17000 G (1,7 T)
- Magnetische Toleranz: ± 10 %
Spezielle Zuschlagsvarianten:
- Anti-abrasiver Schutz
- Oberflächenbehandlung: Standardgemäße - Sandstrahlen (Ra 1,6 µm)
- Oberflächenbehandlung gegen Aufpreis: Polieren (Ra 0,14 µm)
Weitere Standardparameter:
- Material des Abscheiderkörpers: Edelstahl SS 1.4301 (= AISI 304)
Standardverpackung:
- Stretchfolie + Kartonschachtel
Diskussion
Seien Sie der Erste, der einen Beitrag über diesen Artikel schreibt.



